» Ceinture de conduite pour les broches de meulage

Données techniques du moteur de broche:
Spindle Model |
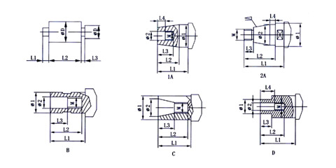
Nose Type |
Dimensions(mm) |
Spindle Nose Dimensions |
Speed |
Bearings |
|||||||||||
L |
L1 |
L2 |
ΦD1 |
ΦD2 |
Φ1 |
Φ2 |
L1 |
L2 |
L3 |
L4 |
M |
Taper |
||||
Pz06-25 |
C |
50 |
250 |
40 |
60 |
18 |
18 |
10.5 |
6 |
25 |
43 |
-- |
M3 |
1:10 |
24000 |
2×7004C/P4 |
2×7004C/P5 |
||||||||||||||||
PZ2A72-220 |
2A |
69 |
234 |
-- |
76 |
-- |
-- |
25.4 |
69 |
-- |
20 |
3 |
M16×1 |
1:4 |
2800 |
2×7006C/P4 |
1×7204C/P4 |
||||||||||||||||
PZ08-(25-40) |
B |
41 |
250 |
65 |
80 |
52 |
28 |
16 |
60 |
46 |
25 |
-- |
M14×1.5 |
-- |
16000 |
2×7206C/P4 |
-400 |
2×7206C/P5 |
|||||||||||||||
PZ10-(25-56) |
B |
50 |
250 |
65 |
100 |
65 |
37 |
16 |
51 |
47 |
25 |
-- |
M14×1.5 |
-- |
12000 |
2×7208C/P4 |
-560 |
2×7208C/P5 |
|||||||||||||||
PZ11-(25-56) |
B |
50 |
250 |
65 |
110 |
65 |
37 |
16 |
51 |
47 |
25 |
-- |
M14×1.5 |
-- |
12000 |
2×7208C/P4 |
-400 |
2×7208C/P5 |
|||||||||||||||
PZ12-(35-56) |
B |
50 |
350 |
65 |
120 |
70 |
48 |
25 |
50 |
62 |
38 |
-- |
M14×1.5 |
-- |
8000 |
2×7211C/P5 |
-560 |
2×7211C/P5 |
|||||||||||||||
PZ16-(35-56) |
B |
38 |
350 |
42 |
130 |
125 |
50 |
35 |
38 |
40 |
18 |
-- |
M20×2 |
-- |
8000 |
2×7211C/P5 |
-560 |
2×7211C/P5 |
|||||||||||||||
2PZ14-(40-65) |
D |
174 |
400 |
70 |
140 |
80 |
32 |
20 |
182 |
60 |
45 |
34 |
M18×1.5 |
-- |
4000 |
3×7212C/P4 |
-650 |
2×7212C/P5 |
|||||||||||||||
2PZ14/16-65 |
D |
162 |
650 |
70 |
140 |
90 |
32 |
20 |
169 |
95 |
45 |
50 |
M18×1.5 |
-- |
4000 |
2×7213C/P4 |
160 |
2×7212C/P5 |
|||||||||||||||
2PZ14-80 |
1A |
68 |
800 |
75 |
140 |
140 |
50 |
13 |
73 |
50 |
35 |
6 |
M12 |
1:5 |
2200 |
3×7212C/P4 |
2×7212C/P5 |
||||||||||||||||
2PZ15-40 |
2A |
128 |
400 |
65 |
150 |
130 |
-- |
60 |
101 |
84 |
24 |
-- |
M39×1.5 |
1:5 |
2300 |
1×C3182115K |
1×C2268115 |
||||||||||||||||
1×C3182113K |
||||||||||||||||
2PZ17-(35-65) |
2A |
63 |
350 |
-- |
170 |
-- |
70 |
60 |
69 |
62 |
17 |
5.5 |
M45×1.5 right |
1:5 |
4000 |
2×7215C/P5 |
-650 |
2×7215C/P5 |
|||||||||||||||
2PZ18-80 |
2A |
147 |
830 |
97 |
180 |
140 |
80 |
-- |
169 |
90 |
22 |
|
M50×1.5 |
1:5
|
3000 |
1×C3182118 |
2×CD46118 |
||||||||||||||||
2×B46216 |
||||||||||||||||
2PZ19-45 |
2A |
85 |
475 |
75 |
190 |
170 |
-- |
70 |
112 |
90 |
23 |
17 |
M50×1.5 right |
1:5 |
1400 |
1×C697516 |
1×D7516 |
||||||||||||||||
PZ20-110 |
2A |
130 |
1135 |
65 |
200 |
125 |
-- |
65 |
-- |
167 |
35 |
30 |
M30×1.5 |
1:5 |
3000 |
4×7014C/P4 |
2×7014C/P4 |
||||||||||||||||
PZ2A22.5 |
2A |
197 |
1015 |
86 |
225 |
145 |
-- |
90 |
-- |
167 |
22 |
20 |
M50×2 |
1:5 |
2400 |
3×7220C/P4 |
2×7220C/P5 |
||||||||||||||||
PZ1A16-30 |
2A |
-- |
85 |
300 |
160 |
180 |
84 |
72 |
85 |
18 |
43 |
15 |
M40 |
1:5 |
3000 |
NN3016K/P4 |
2×7016C/P4 |
||||||||||||||||
2×7014C/P5 |
||||||||||||||||
PZ17-72 |
1A |
-- |
83 |
740 |
170 |
190 |
74 |
70 |
89 |
70 |
30 |
10 |
M16 |
1:5 |
2800 |
3×7215C/P4 |
2×7212C/P5 |
||||||||||||||||
PZ09-2M3 |
C |
-- |
2 |
250 |
90 |
-- |
-- |
-- |
-- |
-- |
-- |
-- |
M14×1.5 |
2# |
8000 |
2×7207C/P4 |
3# |
2×7207C/P4 |
|||||||||||||||
PZ2A11-60 |
2A |
-- |
105 |
603 |
110 |
126 |
38 |
38 |
112 |
85 |
35 |
-- |
M24×1.5 |
1:5 |
3500 |
3×7208C/P4 |
2×7208C/P5 |
||||||||||||||||
PZ1A-55-25 |
1A |
-- |
25 |
252 |
55 |
30 |
18 |
9 |
28 |
23 |
15 |
2 |
M8 |
1:10 |
16000 |
2×7004C/P5 |
2×7004C |

